iDLC from GRC: A Glimpse of the Future of Data Center Cooling
In the ever-evolving landscape of data center technology, cooling solutions that can ensure the seamless operation of high-powered processors is top of mind. Conventional air cooling is rapidly losing the battle to cool today’s hottest processors, and while currently available liquid cooling solutions meet the needs of today, what of the even more powerful (and hotter!) processors of tomorrow? Some feel that, without a game-changing breakthrough, single-phase immersion cooling will not be able to meet these challenges, and that only complex, expensive, and potentially leak-prone direct-to-chip solutions will deliver the cooling necessary for chips running 1000W, 2000w, 3000W and more.
But Green Revolution Cooling’s (GRC) Immersed Direct Liquid Cooling (iDLC) architecture is just that breakthrough. This revolutionary approach not only surpasses traditional cooling methods in efficiency and performance but also marks a significant leap toward future-proofing data centers against increasingly dense and power-intensive computing demands. Read on for a closer look at iDLCs architecture and capabilities.
Unveiling iDLC: A Revolutionary Approach to Data Center Cooling
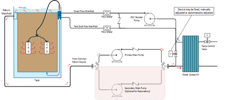
GRC’s innovative iDLC technology redefines the cooling landscape by employing an open-loop system that simplifies the Direct Liquid Cooling (DLC) process. Unlike traditional DLC methods, which rely on complex, costly infrastructures involving water, glycol, or closed-loop two-phase fluids, iDLC utilizes a single supply loop. This ingenious design directly cools the hottest components within a server, such as CPUs and GPUs, through Targeted Flow Heat Sinks (TFHS), efficiently managing heat dissipation without the need for supplementary air cooling.

iDLC vs. Traditional Cooling Systems: A Comparative Analysis
The iDLC system by GRC stands in stark contrast to conventional cooling solutions. By enhancing the Coolant Distribution Units (CDUs) and optimizing rack designs, iDLC delivers unparalleled cooling capabilities. The dual flow pressure system allows for targeted cooling of high-heat components while maintaining general rack space cooling. This not only maximizes cooling efficiency but also significantly reduces the infrastructure and operational costs associated with traditional DLC systems.
Optimizing Data Center Efficiency with iDLC’s Dual Flow Pressure System
The architecture of GRC’s iDLC technology is a testament to the sophistication and innovation that the company brings to data center cooling. The system’s dual flow paths ensure that while the bulk flow cools the entire server, a high-pressure directed flow specifically targets processors with TFHS. This method achieves superior cooling performance, addressing the challenge of cooling ultra-high powered processors without the need for oversizing piping and heat transfer systems, thanks to a strategically implemented bypass mechanism.
Future-Proofing Data Centers with GRC’s iDLC Technology
As we move further into the era of big data and AI, the demand for more powerful, efficient, and environmentally friendly data centers continues to grow. GRC’s iDLC technology not only meets these demands but also anticipates the future needs of data center cooling. By embracing iDLC, data center operators and designers can ensure their facilities are equipped to handle the increasing heat loads presented by next-generation servers and processors, making it a crucial step toward sustainable, efficient, and effective data center management.
For those looking to deepen their understanding of this cutting-edge technology and explore the future of data center cooling, downloading our white paper, “Future-Proof Your Data Center Cooling with GRC’s iDLC Technology,” is an essential next step. This comprehensive document offers a deeper dive into the mechanics, benefits, and real-world applications of iDLC, providing valuable insights into how this innovation can transform your data center operations.
In embracing GRC’s iDLC technology, you’re not just optimizing your data center’s cooling efficiency; you’re investing in its future. Explore the potential of iDLC and join us in revolutionizing data center cooling for the next generation of computing.
Download our white paper now to unlock the full potential of your data center with GRC’s iDLC technology.
Bring the Most Efficient Cooling Technology to Your Data Center
To have our representative get in touch with you complete the form below or call: +1.512.692.8003
On: September 6, 2024
Comments: 0